Skip to content Skip to sidebar Skip to footer

Widget HTML #1

Emglo Air Compressor Parts, 39154 Emglo Filter Silencer 3 8 Inlet Air Compressor Part Factory Air Compressor Parts - Emglo was sold to dewalt several years ago.

Emglo Air Compressor Parts, 39154 Emglo Filter Silencer 3 8 Inlet Air Compressor Part Factory Air Compressor Parts - Emglo was sold to dewalt several years ago.. Emglo air compressors have an outstanding reputation of service across several industries, including roofers, house framers, flooring installers, and more. Discover products by brand, type & size. Discover products by brand, type & size. 5.0 out of 5 stars 3. Keeping them running after years of service is not as hard as you would think.

Jul 12, 2021 · jenny compressor parts buy jenny products repair parts to get that air compressor pumping like new! Request a quote · special offers · new products · live chat It's easy to repair with our handy kits. Emglo air compressor parts and helpful repair tips to keep your unit up and running. Jenny air compressor blue is hard to miss on any job site.

Https Encrypted Tbn0 Gstatic Com Images Q Tbn And9gcrbdsap6gusxhd4nukgz3ra8rv Zwa5f1jhnzpphmcuiska8dl5 Usqp Cau
Https Encrypted Tbn0 Gstatic Com Images Q Tbn And9gcrbdsap6gusxhd4nukgz3ra8rv Zwa5f1jhnzpphmcuiska8dl5 Usqp Cau from
Keeping them running after years of service is not as hard as you would think. It's easy to repair with our handy kits. Emglo air compressor parts and helpful repair tips to keep your unit up and running. Strong and reliable, jenny air compressors are reliable and the one to have in any contractor equipment fleet. This is an authentic oem sourced part that is intended to be used with air compressors from porter cable, dewalt, devilbiss, and black & decker. Master tool repair carries a full supply of emglo air compressor parts required to perform general maintenance or major repairs to your emglo air. Discover products by brand, type & size. Request a quote · special offers · new products · live chat

Discover products by brand, type & size.

Emglo air compressor is known as a leader in air compressors and their emglo portable and stationary compressors are used by professionals in all types of industries. Emglo was sold to dewalt several years ago. This is an authentic oem sourced part that is intended to be used with air compressors from porter cable, dewalt, devilbiss, and black & decker. Emglo air compressor parts and helpful repair tips to keep your unit up and running. Discover products by brand, type & size. Strong and reliable, jenny air compressors are reliable and the one to have in any contractor equipment fleet. Shop by parts or model. More images for emglo air compressor parts » Tool parts direct has thousands of air compressor parts to fix emglo tools. Emglo air compressors have an outstanding reputation of service across several industries, including roofers, house framers, flooring installers, and more. 5.0 out of 5 stars 3. Mscdirect.com has been visited by 100k+ users in the past month Request a quote · special offers · new products · live chat

Request a quote · special offers · new products · live chat It's easy to repair with our handy kits. More images for emglo air compressor parts » Emglo air compressor is known as a leader in air compressors and their emglo portable and stationary compressors are used by professionals in all types of industries. For over 60 years, professionals have relied on emglo for the highest quality of pneumatic tools.

Jenny Emglo Air Compressor Bare Pump Gu Model
Jenny Emglo Air Compressor Bare Pump Gu Model from www.portlandcompressor.com
Discover products by brand, type & size. Tool parts direct has thousands of air compressor parts to fix emglo tools. For the most part, dewalt has stopped using the emglo name, now only producing them as dewalt air compressors. Jenny products purchased the rights to continue to manufacture the pumps in pa as well as retain the emglo model numbers and paint color. For over 60 years, professionals have relied on emglo for the highest quality of pneumatic tools. Jul 12, 2021 · jenny compressor parts buy jenny products repair parts to get that air compressor pumping like new! This is an authentic oem sourced part that is intended to be used with air compressors from porter cable, dewalt, devilbiss, and black & decker. Ebay.de has been visited by 100k+ users in the past month

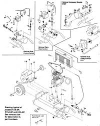
Emglo air compressor parts air filters ;

Request a quote · special offers · new products · live chat Master tool repair carries a full supply of emglo air compressor parts required to perform general maintenance or major repairs to your emglo air. Discover products by brand, type & size. This is an authentic oem sourced part that is intended to be used with air compressors from porter cable, dewalt, devilbiss, and black & decker. Strong and reliable, jenny air compressors are reliable and the one to have in any contractor equipment fleet. Jenny products purchased the rights to continue to manufacture the pumps in pa as well as retain the emglo model numbers and paint color. Emglo air compressor parts and helpful repair tips to keep your unit up and running. It's easy to repair with our handy kits. The isolators connect to the bottom of the frame of the feet of the tank and are used to support the compressor. For the most part, dewalt has stopped using the emglo name, now only producing them as dewalt air compressors. Emglo air compressor is known as a leader in air compressors and their emglo portable and stationary compressors are used by professionals in all types of industries. Emglo was sold to dewalt several years ago. Shop by parts or model.

Replacement emglo air compressor parts online. Emglo air compressor is known as a leader in air compressors and their emglo portable and stationary compressors are used by professionals in all types of industries. Shop by parts or model. For the most part, dewalt has stopped using the emglo name, now only producing them as dewalt air compressors. Discover products by brand, type & size.

421 1101 Jenny Air Compressor Pump Emglo K Pump Tri City Tool Parts Inc
421 1101 Jenny Air Compressor Pump Emglo K Pump Tri City Tool Parts Inc from cdn.shopify.com
Shop emglo parts online by tool, model, and schematics. Request a quote · special offers · new products · live chat Strong and reliable, jenny air compressors are reliable and the one to have in any contractor equipment fleet. 5.0 out of 5 stars 3. For the most part, dewalt has stopped using the emglo name, now only producing them as dewalt air compressors. Emglo air compressor parts and helpful repair tips to keep your unit up and running. Discover products by brand, type & size. Emglo air compressors have an outstanding reputation of service across several industries, including roofers, house framers, flooring installers, and more.

Emglo was sold to dewalt several years ago.

Jul 12, 2021 · jenny compressor parts buy jenny products repair parts to get that air compressor pumping like new! Ebay.de has been visited by 100k+ users in the past month Request a quote · special offers · new products · live chat Jenny air compressor blue is hard to miss on any job site. Request a quote · special offers · new products · live chat Emglo air compressors have an outstanding reputation of service across several industries, including roofers, house framers, flooring installers, and more. Emglo air compressor is known as a leader in air compressors and their emglo portable and stationary compressors are used by professionals in all types of industries. More images for emglo air compressor parts » Folge deiner leidenschaft bei ebay! Keeping them running after years of service is not as hard as you would think. Jenny products purchased the rights to continue to manufacture the pumps in pa as well as retain the emglo model numbers and paint color. It's easy to repair with our handy kits. Shop emglo parts online by tool, model, and schematics.

Jul 12, 2021 · jenny compressor parts buy jenny products repair parts to get that air compressor pumping like new! emglo air compressor. Strong and reliable, jenny air compressors are reliable and the one to have in any contractor equipment fleet.